工作時間
早9:00 - 晚18:00
周六日休息
發布日期:2026-3-26 16:55:29 訪問次數:66
IDP 泵具有密封設計,電機和軸承與真空環路完全隔離,延長了軸承的使用壽命,并提供潔凈、無油的真空條件。IDP 泵采用單面渦輪設計,可通過簡單的工具在 15 分鐘內完成維護操作。可選的集成式隔離閥防止意外污染,并且不會額外增加泵的高度。




噪音水平
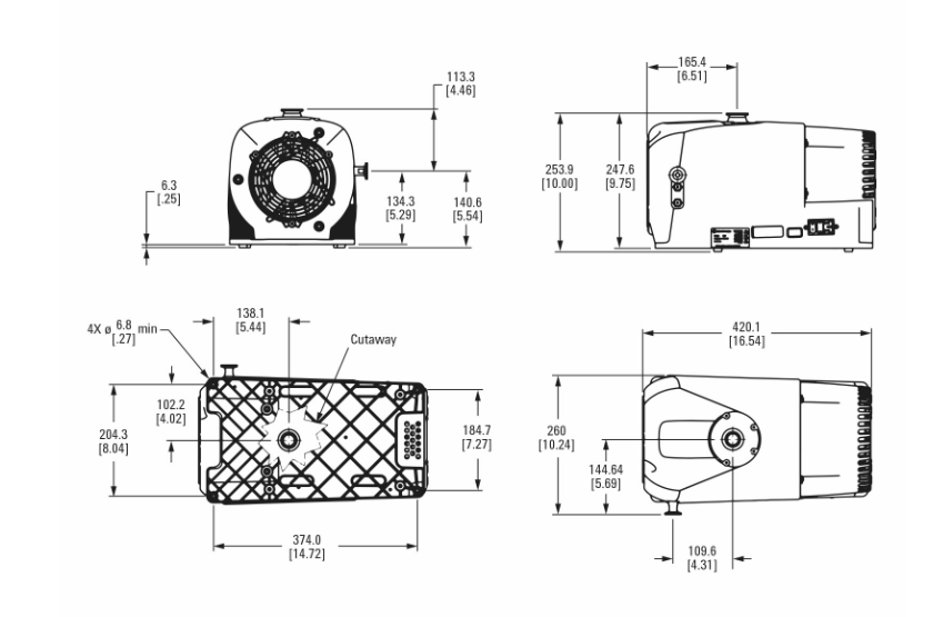
寬度
尺寸(寬 x 高 x 長)
抽速 (50 Hz)
抽速 (60 Hz)
排氣口連接
操作環境溫度
最大進氣口壓力
極限壓力 (50 Hz) — Torr 和 mbar
極限壓力 (60 Hz) — Torr 和 mbar
輸入電壓
運輸重量
進樣口連接
重量(只有泵時)
長度
高度
上一產品:安捷倫IDP-15 渦旋式干泵
下一產品:安捷倫IDP-3 渦旋式干泵真空泵